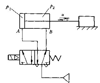
我们可以以单杆双作用无缓冲气缸为例,来分析气缸的运动状态,见下图。

电磁阀换向,气源经A口向气缸无杆腔充气,压力P1上升。有杆腔内气体经B口通过换向阀的排气口排气,压力P2下降。当活塞的无杆侧与有杆侧的压力差达到气缸的最低动作压力以上时,活塞开始移动。活塞一旦启动,活塞等处的摩擦力即从静摩擦力突然降至动摩擦力,活塞稍有抖动。活塞启动后,无杆腔为容积增大的充气状态,有杆腔为容积减小的排气状态。随外负载大小和充排气回路的阻抗大小等因素的不同,活塞两侧压力P1和P2的变化规律也不同,因而导致活塞的运动速度及气缸的有效输出力的变化规律也不同。下图是气缸的瞬态特性曲线示意图。从电磁阀通电开始到活塞开始运动的时间为延迟时间。从电磁阀通电开始到活塞到达行程末端的时间为到达时间。

从上图可以看出,在活塞的整个运动过程中,活塞两侧腔室内的压力P1和P2以及活塞的运动速度U都在变化。这是因为有杆腔虽然排气,但容积在减小,顾p2下降趋势变缓。若排气不畅,p2还可能上升。无杆腔虽充气,但容积在增大,若供气不足或活塞运动速度过快,p1页可能下降。由于活塞两侧腔内的压力差在变化,有影响到有效输出力及活塞运动速度的变化。假如外负载力及摩擦力页不稳定的话,则气缸两腔的压力和活塞运动速度的变化更复杂。 |